Электронные самоделки
вернуться

Кашкаров Андрей Петрович

Шрифт:

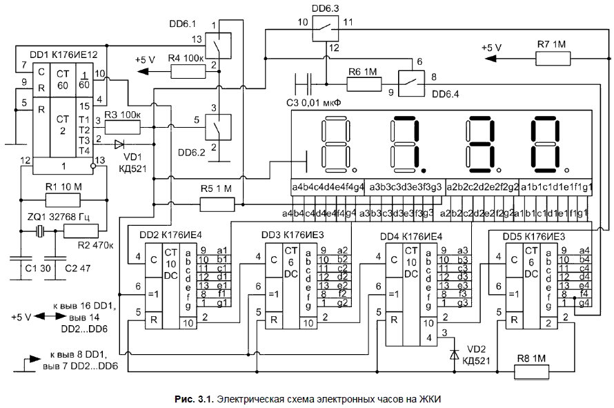
На специализированной микросхеме К176ИЕ12 собран кварцевый генератор, в качестве кварцевого резонатора ZQ1 можно использовать любой «часовой» кварц. Частоту генератора можно скорректировать, изменяя емкость конденсатора С1. На выводе 4 микросхемы формируются секундные импульсы — они используются для моргания разделительной точки, на выводе 10 секундные импульсы уже разделены на 60. Таким образом получаются минутные импульсы. Они поступают на линейку счетчиков DD2…DD5: DD2 считает единицы минут, DD3 — десятки минут и т. д. На диоде VD2 и резисторе R8 собрана схема обнуления часов — как только часы досчитают до 24, на выходах 4 DD4 и 2 DD5 появятся уровни логической «1», которые обнулят все счетчики. Пока количество часов меньше 24, хотя бы на одном из этих выводов присутствует уровень логического «0», который запрещает сброс.

Так как у микросхемы DD1 нет сравнительно низкочастотного выхода, пришлось задействовать тактовые выходы T1…T4. На элементах R3 и VD1 собран простейший сумматор, благодаря которому в точке соединения этих элементов — правильный меандр частотой 256 Гц. Он используется для работы ЖКИ.

На элементах DD6.1, DD6.2 собрана схема управления десятичной точкой (все остальные точки и дополнительные сегменты должны быть соединены с общим проводом индикатора). Элемент DD6.2 выполняет функцию инвертора (при уровне логической «1» на управляющем входе он замкнут и подает уровень «0» на DD6.1, при «0» — разомкнут и на вход DD6.1 поступает «1» через резистор R4), элемент DD6.1, в зависимости от уровня на выходе «1 Гц», подает на сегмент «точка» то прямой, то инвертированный сигнал генератора, т. е. точка будет видна на протяжении 0,5 сек, а следующие 0,5 сек — нет.

Конечно, было бы проще собрать этот узел на одном элементе «Исключающее ИЛИ», однако собрать на оставшихся элементах схему гашения лишнего нуля будет невозможно, а вводить в схему лишнюю микросхему — логически неразумно.

Этот самый узел гашения нуля собран на элементах DD6.3 и DD6.4. Несложно заметить, что в старшем разряде сегмент f будет виден только при коде цифры 0, при кодах цифр 1 и 2 — этот сегмент не светится. Поэтому вполне логично будет задействовать этот выход дешифратора для нашего анализатора. При уровне логической «1» на выходе генератора элемент DD6.4 соединяется с выходом f дешифратора, и заряжает или разряжает конденсатор С3. В это время на выводе 6 микросхемы DD5 уровень логической «1». Таким образом, при коде цифры «0», на выходе сегмента f будет уровень логического «0», а при кодах цифр 1 или 2 там будет уровень логической «1». Соответствующий уровень и на конденсаторе С3. При уровне логической «1» на этом конденсаторе элемент DD6.3 замкнут, и микросхема DD5 работает так же, как и остальные счетчики — разряд десятков часов виден, при уровне логического «0» на конденсаторе С3 элемент DD6.3 разомкнут, и выходы счетчика не переключаются.

3.1.2. О деталях

Микросхему DD1 в этой схеме можно заменить на К176ИЕ18, но тогда выводы 4 и 7 нужно будет разомкнуть, вывод 14 соединить с общим проводом, а сигнал для моргания точки снимать с вывода 4 микросхемы.

Напряжение питания этой схемы не должно превышать 5 В, большее напряжение вредно для индикатора. Но, если подключить все выводы индикатора через резисторы сопротивлением 100…300 кОм (потребуется 30 резисторов), напряжение можно будет повысить и до 9…12 В. Также, при питании от 5 В некоторые кварцы не запускают генератор микросхемы К176ИЕ12 (однако запущенный генератор нормально работает). В таких случаях можно уменьшить сопротивление резистора R2 в 2…4 раза.

Помимо рассмотренных здесь статических ЖКИ, существуют также динамические, или мультиплексные ЖКИ. Отличаются они тем, что у мультиплексных ЖКИ к каждому выводу подключено сразу несколько сегментов и, соответственно, на другой половине индикатора нарисовано столько же общих выводов.

Мультиплекс бывает в пропорциях 1:1…1:4 (то есть к каждому выводу подключено по 1…4 сегмента; ЖКИ с мультиплексом 1:1 обычно называют статическим) у простых 7-сегментных индикаторов, и может доходить в пропорциях до 1:00… 1:000 у графических и цветных ЖКИ для телефонов и компьютеров. Преимущества использования мультиплексных ЖКИ очевидны — благодаря этому удается значительно уменьшить количество выводов ЖКИ, да и проще изготовить состоящий из рядов «квадратиков» индикатор (дисплей), но у них есть и недостаток — напряжение питания нужно разделить на несколько «кусков» (обычно 3…5), и управлять дисплеем, комбинируя эти части по очень сложной схеме. Поэтому для управления мультиплексным ЖКИ используются только специализированные микросхемы — собрать схему управления на обычных микросхемах серии К561 почти невозможно — а сами эти микросхемы, как правило, управляются только через последовательный интерфейс, от внешнего процессора. Поэтому здесь они не будут подробно рассмотрены. А вообще чаще всего используются микросхемы D7225G (интерфейс SPI, 32 выхода на сегменты, мультиплекс от 1:1 до 1:4), PCF8576 (I2C, 32 выхода, мультиплекс 1:1 и 1:2) и PCF8577 (I2C, 40 выходов, мультиплекс от 1:1 до 1:4). Более удобна в работе микросхема D7225G — у нее сгруппированы выходы, в отличие от PCF8576, у которых группировки вообще нет. Зато PCF8576 можно использовать в качестве последовательнопараллельного регистра. Существуют и другие микросхемы, есть даже процессоры со встроенным контроллером мультиплексного ЖКИ — но эти микросхемы более популярны. Ну а все ЖКИ, с мультиплексом более 1:4, продаются только со встроенным контроллером — он может быть расположен непосредственно на самом ЖКИ-стекле (так называемые ТАВ-дисплеи, стоят во всех современных телефонах) или на плате, на которой закреплено «стекло». Иначе говоря, при выходе из строя контроллера придется покупать полностью новый дисплей, с новым контроллером — даже несмотря на то, что один из этих элементов исправен.

3.1.3. Особенности определения цоколевки индикаторов

Определить цоколевку и мультиплекс ЖК-индикаторов довольно просто, но для этого нужен любой блок питания или любое другое низковольтное устройство, включенное в сеть переменного тока через понижающий трансформатор. Понадобится один-единственный проводок, выходящий из любой части этого устройства (из его низковольтной части), с хорошей изоляцией. Берем пальцами индикатор за боковину (это будет один контакт источника питания) и касаемся проводком выводов ЖКИ. При этом загорится один или несколько сегментов. Сколько сегментов насчитали — таков и мультиплекс. При касании проводком общего вывода индикатора становятся видны все его сегменты (если индикатор статический) или строка символов — если ЖКИ мультиплексный.

3.2. Индикатор протечки

Многие семьи сегодня живут в многоэтажных домах и пользуются бытовыми стиральными машинами. Каждый, кто подключал такую машину (к электрощитку и сантехническим коммуникациям), знает, как важны оба эти действия. В частности, при некачественном подключении сливного патрубка стиральной машины к фановым трубам квартирной коммуникации может произойти протечка воды, которая не только испортит настроение и интерьер, но и доставит многочисленные хлопоты по компенсации ремонта соседям снизу.

Даже при качественном подключении стиральной машины хомуты, стягивающие гофры и патрубки водосливных шлангов, рекомендуется время от времени проверять их на надежность и при необходимости подтягивать.

Кроме того, протечки могут происходить и в других подобных случаях, как то: протечки (из-за брака строителей) сверху, если квартира расположена на последнем этаже, протечки из-за устаревших и выслуживших «все сроки» штатных сантехнических коммуникаций (труб, патрубков, сливных горловин раковин). Все эти случаи также грозят затоплением соседей, живущих снизу со всеми вытекающими отсюда последствиями.

  • Читать дальше
  • 1
  • ...
  • 21
  • 22
  • 23
  • 24
  • 25
  • 26
  • 27
  • 28
  • 29
  • 30
  • 31
  • ...

Private-Bookers - русскоязычная библиотека для чтения онлайн. Здесь удобно открывать книги с телефона и ПК, возвращаться к сохраненной странице и держать любимые произведения под рукой. Материалы добавляются пользователями; если считаете, что ваши права нарушены, воспользуйтесь формой обратной связи.

Полезные ссылки

  • Моя полка

Контакты

  • help@private-bookers.win