Электронные самоделки
вернуться

Кашкаров Андрей Петрович

Шрифт:

2.7.2. О деталях и монтаже

Транзисторы С8550 (КТС8550) подобраны с коэффициентом усиления по току h2b>80, и в совокупности с капсюлем типового ряда ЗП обеспечивают большое усиление слабого сигнала без искажений. Их лучше применить так, как указано на схеме. В крайнем случае, транзисторы VT1 и VT2 можно заменить отечественными аналогами КТ373А — КТ373Б, КТ342А, КТ342В, КТ3102Б (БМ). Транзистор VT3 заменяется на КТ605, КТ815, КТ817, КТ940, КТ972, КТ630 с любым буквенным индексом.

Все постоянные резисторы типа МЛТ-0,25, MF-25 и аналогичные. Оксидные конденсаторы типа К50-29 и аналогичные. Оксидный конденсатор С2 служит для уменьшения пульсаций выпрямленного напряжения источника питания.

Реле типа РЭС-15 с током срабатывания 22–38 мА или аналогичные, например, TRU-5VDC-SB-SL или TTI TRD-9VDC-FB-CL. Более мощные реле применять здесь нельзя, чтобы не спровоцировать ложные срабатывания устройства (щелчок реле может быть принят капсюлем, как сигнал к действию).

Источник питания для усилителя — стабилизированный, с выходным напряжением 8…11 В. Ток, потребляемый усилителем, небольшой, зависит в основном от типа примененного электромагнитного реле и не превышает 40 мА. Несмотря на то что усилитель, представленный на схеме рис. 2.8, отлично работает и при напряжении 4 В, «опускать» нижнюю границу напряжения источника питания ниже 8 В нельзя, чтобы реле работало уверенно. При увеличении напряжения источника питания до 12 В усилитель работает с помехами (самовозбуждается).

2.7.3. Перспектива применения устройства

Устройство не может быть ограничено в использовании только предлагаемым вариантом помощи престарелым и больным людям, демонстрационными экспериментами и выставочным образцом. Практическая польза от него, на мой взгляд, перспективна. Так, усилитель можно применять в устройствах автоматики (автоматическое включение света), бытовых устройствах с задержкой выключения. Для того чтобы установить в устройстве задержку выключения (в пределах нескольких минут), надо добавить в схему (см. рис. 2.8) оксидный конденсатор С3, показанный на схеме пунктиром, увеличивая опытным путем его емкость максимум до 200 мкФ.

Интересные эффекты усилитель слабых сигналов, управляемый хлопком в ладоши, может дать также в различных игрушках для детей, включения новогодней елки и многих, многих других случаях. Поистине спектр возможностей применения этой конструкции неограничен и открывает простор для творческой деятельности радиолюбителя.

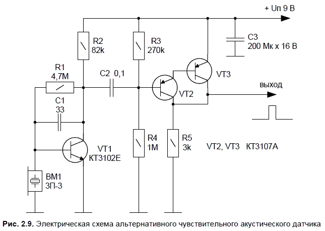
2.8. Альтернативный звукочувствительный электронный узел

Среди множества электронных устройств, повторяемых радиолюбителями, особое место занимают простые акустические сигнализаторы-датчики, которые благодаря их универсальности можно использовать в быту практически неограниченно — от систем охраны до автоматических включателей или составных частей более сложных устройств, активируемых шумовым воздействием. Как частный случай, акустические датчики можно использовать в фокусах, например, на новогодней елке, где от слов «Елочка, гори» автоматически включатся световые эффекты. Другой возможный пример — сигнализатор повышенного уровня шума в помещении, сейчас такие сигнализаторы становятся все актуальнее. Основой для всех вышеперечисленных вариантов успешно послужит рассматриваемый далее электронный узел. Его особенность в очень большой чувствительности, которая обусловлена сочетанием в схеме пьезоэлемента ВМ1 (он преобразует звуковой сигнал в электрические колебания) и транзисторов с высокими характеристиками усиления тока.

Этот электронный узел можно использовать там и тогда, где не удалось найти зарубежных транзисторов С8550, эффективных в первых каскадах усилителей слабых сигналов. Электрическая схема, представленная на рис. 2.9, поможет заменить целый узел, реализованный на транзисторах VT1, VT2 предыдущего устройства, рассмотренного чуть ранее.

При замене этих узлов следует учесть, что точку соединений коллекторов транзисторов VT2, VT3 следует подключить к точке соединения С3 и R4 на предыдущей схеме.

Первый каскад усиления реализован на транзисторе VT1. Этот полупроводниковый кремниевый прибор должен обладать высоким коэффициентом передачи тока h21e — от этого зависит чувствительность узла. Усилитель на транзисторах VT2 и VT3 построен по принципу усиления постоянного тока. Резкий шум, тряска, хлопок или микровоздействие по капсюлю BМ1 немедленно отразится изменением напряжения на коллекторе транзисторов VT2 и VT3. Рабочий режим транзистора VT2 (смещение) задается делителем напряжения на резисторах R3 и R4. Сопротивления резисторов делителя напряжения выбрано таким, чтобы постоянное напряжение на коллекторах VT2, VT3 в режиме ожидания находилось в пределах 2,4–2,5 В.

Оксидный конденсатор С2 не пропускает постоянную составляющую напряжения на вход транзисторного усилителя.

Чувствительность узла такова, что устройство реагирует на шум резкого характера (например, хлопок) на расстоянии 4…6 м.

2.8.1. Налаживание

Устройство в налаживании не нуждается. Смонтированное без ошибок с исправными деталями устройство надежно работает в круглосуточном режиме.

Печатная плата не разрабатывалась. Элементы устройства компактно крепятся на макетной плате, их выводы соединяются перемычками из провода МГТФ-0,6. Подключения к источнику питания и к коммутируемым цепям устройств периферии удобно выполнить с помощью электромонтажного клеммника или любого подходящего разъема.

Ток, потребляемый в режиме ожидания, — 0,5 мА.

2.8.2. О деталях

Все постоянные резисторы типа МЛТ-0,25. Конденсатор С2 типа КМ-6, группы ТКЕ H70 или аналогичный. Пьезоэлектрический капсюль ВМ1 можно заменить на ЗП-1, ЗП-18, ЗП-22 или другой аналогичный. Для этой цели хорошо подходит пьезоэлектрический капсюль из электронных часов в корпусе типа «пейджер».

Конденсатор С3 (типа К50-24) сглаживает пульсации от источника питания. Источник питания — стабилизированный с напряжением 6…11 В. При эксплуатации устройства замечено, что чувствительность узла (при прочих равных условиях) увеличивается с уменьшением напряжения питания, а при увеличении напряжения питания свыше 11 В устройство переходит в режим самовозбуждения.

  • Читать дальше
  • 1
  • ...
  • 19
  • 20
  • 21
  • 22
  • 23
  • 24
  • 25
  • 26
  • 27
  • 28
  • 29
  • ...

Private-Bookers - русскоязычная библиотека для чтения онлайн. Здесь удобно открывать книги с телефона и ПК, возвращаться к сохраненной странице и держать любимые произведения под рукой. Материалы добавляются пользователями; если считаете, что ваши права нарушены, воспользуйтесь формой обратной связи.

Полезные ссылки

  • Моя полка

Контакты

  • help@private-bookers.win