У-2/по-2
вернуться

Иванов С. В.

Шрифт:

Размах нижнего крыла 10,654 »

Размах горизонтального оперения 4,708 »

Длина хорды верхнего крыла 1,654 »

Длина хорды нижнего крыла 1,654 »

Расстояние между хордами 1,777 »

Относительная толщина крыльев 0,081(8,1%)

Площадь нижних крыльев 15,450 м-

Площадь верхних крыльев (с центропланом) 17,700 »

Площадь центроплана 2,250 »

Общая площадь коробки крыльев с элеронами 33,150 »

Площадь элеронов 4,300 »

Площадь стабилизатора 2,900»

Площадь рулей высоты 2,150 »

Площадь всего горизонтального сперения 5,050 »

Площадь киля 0,340 »

Площадь руля направления 1,330 »

Площадь всего вертикального оперения 1,670 »

Ширина колеи шасси 1,674 м

Размер пневматиков 700 x *50 мм

ПРОЧИЕ ДАННЫЕ САМОЛЕТА

Нагрузка на крылья 32,6 кг/м2

Нагрузка на 1 л. с. 8,62 кг/л. с.

Угол наклона оси фюзеляжа относительно земли при стоянке 14

Длина лыжи 2,200 м

Ширина лыжи 0,334

Площадь опорной поверхности обеих лыж 0,890 м-

РЕГУЛИРОВОЧНЫЕ ДАННЫЕ

Угол установки верхнего правого крыла 4- 2°

Угол установки верхнего левого крыла 2°20'

Угол установки нижнего правого крыла + 2°

Угол установки нижнего левого крыла + 2°20'

Поперечное V' верхних крыльев + 2°

Поперечное V нижних крыльев + 2°

Установочный угол стабилизатора + 2°

Допуск ± 10'

Вынос верхнего крыла 800 мм

Отклонение киля (смещение относительно оси симметрии) 0°

Отклонение руля высоты от горизонтали: вниз 13° вверх 28°

отклонение руля направления (вправо и влево) по 18°

Отклонение элерона от хорды: вверх 23° вниз 22°

Допуск ±2°

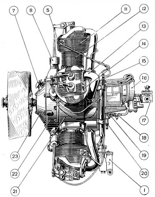
МОТОР М- 11Д

ВИД СПЕРЕДИ

ВИД СБОКУ

ВИД СЗАДИ

НАИМЕНОВАНИЕ ПОЗИЦИЙ 1. Карбюратор КП-А (или Б) 2. Маслоотстойник 3. Тяги толкателей 4. Втулка пинта 5. Свечи 6. Проводники зажигания 7. Суфлер 8. Маслоуловительные колпачки 9. Коромысла 10. Пружины клапанов 11. Головка цилиндра 12. Гильза цилиндра 13. Всасывающий патрубок 14. Выхлопное окно 15. Коллектор проводов зажигания 16. Магнето БСМ-5 17. Бензиновый насос БНК-12АС 18. Штуцер для замера давления выходящего масла 19. Фильтр маслонасоса 20. Редукционный клапан маслонасоса 21. Средняя часть картера 22. Передняя крышка картера 23. Носок картера 24. Масляный насос МИМ-11 25. Штуцер термометра (2 шт.) 26. Штуцер входа бензина из бака в бензонасос 27. Бобышка для крепления мотора к мотораме (10 шт.) 28. Штуцер поступления бензина в карбюратор 29. Задняя крышка картера 30. Штуцер входа масла в нагнетающую систему 31. Штуцер входа масла в откачивающую систему 32. Вход бензина в карбюратор 33. Штуцер выхода масла из откачивающей помпы

Фюзеляж

ВЕРХНИЙ УЗЕЛ РАЗЪЕМА ФЮЗЕЛЯЖА И НИЖНИЙ УЗЕЛ РАЗЪЕМА ФЮЗЕЛЯЖА

НИЖНИЙ КОРМОВОЙ УЗЕЛ

1. Узлы крепления маслобака 2. Противопожарная перегородка 3. Место расположения бензобака 4. Передняя кабина 5. Козырек кабины 6. Задняя кабина 7. Съемный обтекатель 8. Киль 9. Расчалки 10. Боковые стойки рамы 11. Верхние н яижние распорки рамы 12. Лонжерон фюзеляжа 13. Верхний узел разъема 14. Нижний узел разъема 15. Задний узел крепления крыла 16. Задний узел крепления кабана центроплана 17. Передний узел крепления крыла 18. Рамный шпангоут 19. Задний узел крепления шасси 20. Узел крепления бензобака 21. Узел крепления шасси и моторамы 22. Передний узел крепления кабана центроплана и моторамы 23. Труба нижнего крепления маслобака и мостика управления мотором 24. Лонжерон киля 25. Подкос стабилизатора 26. Швартовочная скоба 27. Вильчатый болт навески руля направления 28. Щека верхнего разъема 29. Щека нижнего разъема

ПЕРЕДНИЙ УЗЕЛ ВЕРХНЕГО КРЫЛА

ПЕРЕДНИЙ УЗЕЛ НИЖНЕГО КРЫЛА

ЗАДНИЙ УЗЕЛ ВЕРХНЕГО КРЫЛА

ЗАДНИЙ УЗЕЛ НИЖНЕГО КРЫЛА

КОРОБКА КРЫЛЬЕВ

1. Задний подкос 2. Диагональный подкос 3. Передний подкос 4. Крыльевая расчалка 5. Усиленная нервюра 6. Нормальная нервюра 7. Передний лонжерон 8. Задний лонжерон 9. Центроплан 10. Верхнее правое крыло 11. Нижнее правое крыло 12. Элерон нижний 13. Межэлеронные расчалки 11. Задний узел верхнего крыла 15. Передний узел верхнего крыла 16. Задний узел нижнего крыла 17. Передний узел нижнего крыла 18. Задний подкос кабана 19. Диагональный подкос 20. Расчалки кабана 21. Передняя несущая расчалка 22. Задняя несущая расчалка 23. Поддерживающие расчалки 24. Отверстие для причала самолета

ЭЛЕРОН

1. Узлы навески элерона 2. Лонжерон элерона 3. Лобовая обшивка 4. Рычаг управления элероном 5. Коробчатый раскос 6. Нервюра 7. Усиленная нервюра 8. Стрингер 9. Металлический обод 10. Задний лонжерон крыла 11. Узел навески элерона 12. Болт вильчатый 13. Элерон 14. Межэлеронная лента 15.. Серьга 16. Болт ушковый 17. Серьга

УЗЕЛ НАВЕСКИ ЭЛЕРОНА К КРЫЛУ

  • Читать дальше
  • 1
  • ...
  • 4
  • 5
  • 6
  • 7
  • 8
  • 9
  • 10
  • 11
  • 12
  • 13
  • 14
  • ...

Private-Bookers - русскоязычная библиотека для чтения онлайн. Здесь удобно открывать книги с телефона и ПК, возвращаться к сохраненной странице и держать любимые произведения под рукой. Материалы добавляются пользователями; если считаете, что ваши права нарушены, воспользуйтесь формой обратной связи.

Полезные ссылки

  • Моя полка

Контакты

  • help@private-bookers.win