1. каталог Private-Bookers
  2. Образование и наука
  3. Книга "Гидропривод токарного станка"
Гидропривод токарного станка
Читать

Гидропривод токарного станка

Гаврилов Сергей

Образование и наука

:

учебная и научная литература

.
Данная книга приводит подробное описание гидропривода токарного станка, содержит рабочие чертежи узлов и деталей гидропривода и электросхему станка. Данный гидропривод автор спроектировал полностью сам. Приведены ссылки, по которым можно скачать рабочие чертежи гидропривода, не вошедшие в книгу и добавочную информацию. Описанный гидропривод интересен тем, что может быть применен практически на любом станке. Чертежи гидропривода приведены полностью с подробными пояснениями. Гидропривод, в отличие от механического привода, более универсален и легко может быть установлен на разные типы станков. Студентам - хороший материал на дипломную работу. Приведен обширный перечень литературы по затронутым в книге вопросам.

19-Апр-2021 г…

Введение

Инженер конструктор отдела гл.механика Гаврилов Сергей Фёдорович написал эту книгу для конструкторов и студентов механиков. Данная книга приводит подробное описание гидропривода токарного станка, содержит рабочие чертежи узлов и деталей гидропривода. Данный гидропривод автор спроектировал полностью сам. Приведены ссылки, по которым можно скачать рабочие чертежи гидропривода, не вошедшие в книгу

и добавочную информацию.

Описанный гидропривод интересен тем, что может быть применен практически на любом станке с описанным циклом работы, без изменения чертежей основных деталей. Как автор разработки, я не возражаю против заимствования и копирования. Гидропривод запущен в работу в 2018 году. Наиболее сложное – это разработка силовой гидроплиты. Чертежи гидроплиты приведены полностью с подробными пояснениями. Гидропривод, в отличие от механического привода, более универсален и легко может быть установлен на разные типы станков. Использование, проверенных эксплуатацией, конструкторских решений позволит избежать явных и скрытых ошибок.

Приведен обширный перечень литературы по затронутым в книге вопросам.

История разработки:

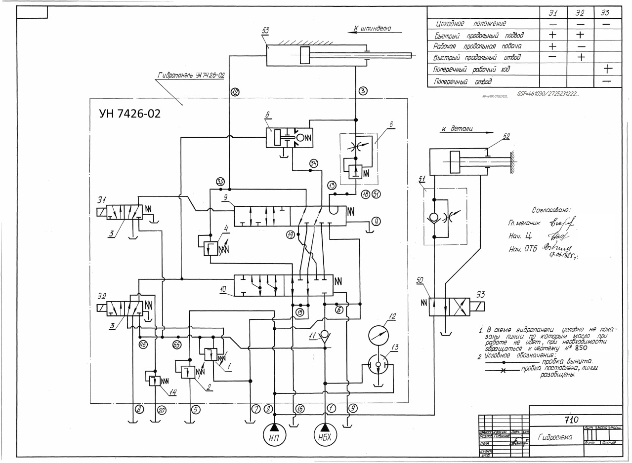
В 1985 году мной был разработан гидропривод специального операционного токарного станка на базе покупной украинской гидропанели УН 7426-02.

Причиной разработки был износ оригинальной, встроенной в станину станка гидропанели. Встроенная гидропанель была очень неудобна в ремонте. Чтобы до нее добраться, надо было сливать все масло из встроенного в станину гидробака. Решили: Отверстие в станине под гидропанель заглушить крышкой. Применить покупную гидропанель УН 7426-02. Установив ее над гидробаком с правого торца станины.

После модернизации станок успешно работал в составе технологической линии.

Гидросхема станка:

на гидропанели УН 7426-02..

,,,

,,,

В 2017 году гидропанель работать отказалась. Ремонтный участок завода заменил гидропанель на вновь купленную – то же отказ в работе. Добавочно технологи потребовали усложнить цикл работы станка. В итоге мне поставили задачу разобраться со станком. В помощь выделили опытного слесаря механика Андрея ( отчество, извините, забыл ).

Гидропанель УН 7426-02.

,,,

,,,

Как видим из фотографии – гидропанель состоит из двух крупных блоков и пристыкованных к ним гидроэлементов.

Мы с Андреем перебрали новую гидропанель полностью, проследили проходы всех сверлений, что смогли. Продули сжатым воздухом, пролили керосином. Вроде все нормально – но не работает. Параллельно разбирали старую панель и так же проливали и продували, для сравнения. Сравнивали размеры золотников. Сделали вывод: Либо где то отвернулась технологическая пробка внутри панели ( в старой ) и забыли поставить в новой гидропанели, в документации никаких указаний нет. Либо в новой панели где то сверления вышли во внутренний пузырь в литье, что нарушило всю гидросхему. Заказывать еще одну новую гидропанель – при нынешних отношениях с Украиной – если и пришлют, то тоже наверное, будет бракованной. Доложили руководству о результатах работы, и я предложил разработать гидропанель на покупных элементах. Основу гидропанели изготовить в механическом цехе завода. Аргументировал тем, что по моим чертежам подобные гидропанели уже изготавливались и успешно работают. Через некоторое время получил добро на разработку. Первым делом связался с технологами и составил с их слов черновик требуемого цикла работы станка. Цикл работы станка оформил официально и утвердил начальством. Бумага очень важная. По опыту знаю, сегодня у них одни мысли, через пару месяцев все уже может поменяться. Подписанный цикл работы станка дает гарантию, что тебе не скажут – что ты не так нас понял – переделай.

Описание работы станка.

,,,,

,,,,

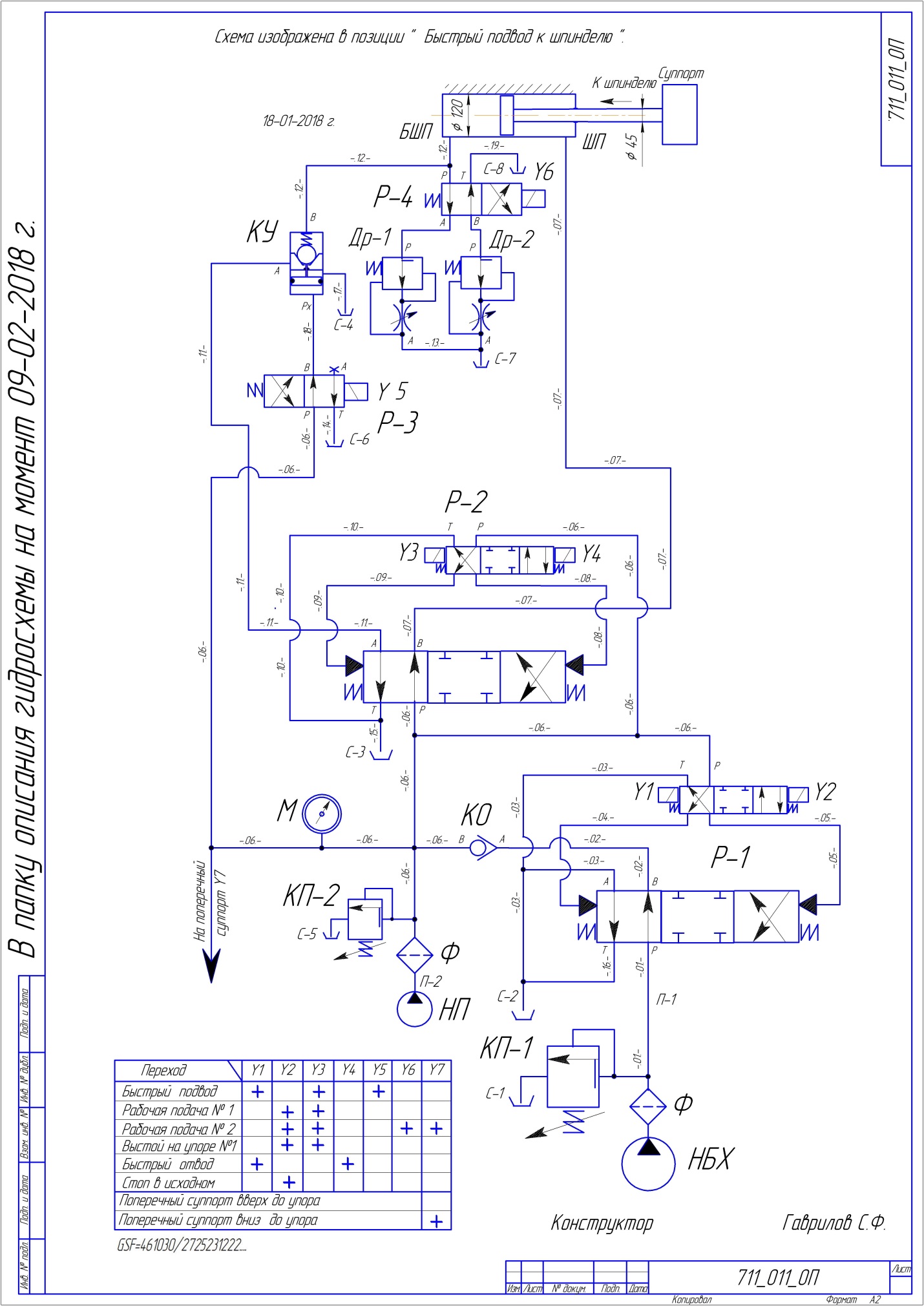
Получив подписанную циклограмму работы – приступаем к разработке гидросхемы станка. На продольном суппорте станка имеется поперечный суппорт. Поперечный суппорт перемещается от крайнего верхнего положения до верхнего упора до крайнего нижнего положения – нижнего упора с помощью гидроцилиндра под управлением гидрораспределителя Y7. При выключенном Y7 в рабочем положении находится и режет черновой резец на подаче № 1. При включенном Y7 и Y6 в рабочем положении находится и режет чистовой резец на подаче № 2.

Быстрый подвод, рабочая подача, выстой на упоре, быстрый отвод одинаковы как для первого, так и для второго прохода.

При разработке гидросхемы учитываем доступные покупные гидроэлементы.

Разработанную гидросхему обязательно утверждаем руководством.

Разработанная гидросхема.

,,,

,,,

Утверждаем руководством технические характеристики станка с данной гидросхемой, это тоже очень важный этап разработки. Все эти документы имеют надписи: Согласовано:

Должность, подпись, расшифровка фамилии, дата..

Техническая характеристика.

,,,,

,,,,

Пояснительная записка.

Для проектирования гидропанели станка необходимы следующие аппараты:

Примечание: Насос НП / НБХ после проверки можно использовать существующий.

Гидрораспределитель Р-1: имеет подвод давления к золотнику – пилоту изолированный

  • Читать дальше
  • 1
  • 2
  • 3
  • 4
  • 5
  • 6

Без серии

Молот. Эскизы-описания
Полезные программы Python-3. Книга третья
Python 3. Расчет веса детали
Расчеты конструктору
Гидропривод пресса
Гидропривод токарного станка
Анх. Колыбель
Расчеты в Excel
Звезда на склоне
Горы Северного Урала
Путешествие по Карпатам

Private-Bookers - русскоязычная библиотека для чтения онлайн. Здесь удобно открывать книги с телефона и ПК, возвращаться к сохраненной странице и держать любимые произведения под рукой. Материалы добавляются пользователями; если считаете, что ваши права нарушены, воспользуйтесь формой обратной связи.

Полезные ссылки

  • Моя полка

Контакты

  • help@private-bookers.win