Шрифт:
Эксклюзивный клапан К-6 представляет из себя закаленный шлифованный диск диаметром = 120 толщиной 12 мм лежащей на шлифованном основании с отв. Ф 90. Клапан К-6 служит для удержания масла в трубе всасывания насоса Н-1.
Гидробак оборудован циркуляционной системой очистки масла состоящей из центробежного насоса Н-3 и маслофильтра с большой пропускной способностью.
Изначально гидростанция пресса не была оборудована охлаждением масла, и большой необходимости в этом не возникает. Гидростанция ранее не была оборудована системой очистки воздуха, ее нет и сейчас – практика показывает, что ее надо сделать поскольку в воздухе цеха витает мелкая пыль оксида железа ( окалина ) с абразивными свойствами.
Движениями траверсы пресса управляют контроллером типа контроллера мостового крана. Сигнальные лампочки показывают наличие потока масла и рабочее давление.
………
Описание элементов гидропривода:
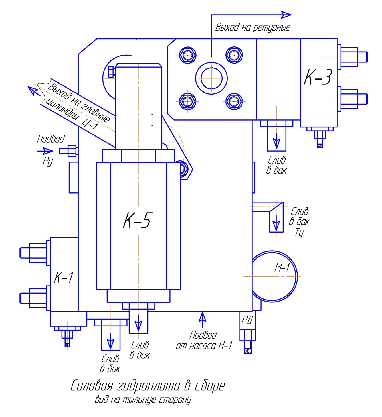
Все силовые гидроэлементы закреплены и гидравлически соединены между собой с помощью силовой гидроплиты ( СГП ). Силовая гидроплита – основа конструкции и ее опишем подробно.
Силовая гидроплита в сборе.
,,,
,,,
Фото силовой гидроплиты.
,,,
Фото с пояснениями.
,,,
,,,
На лицевой стороне СГП виден силовой гидрораспределитель 2Р323АЛ1 64А. Надпись « Р » подвод и надпись « Т » слив – показывают, как должен быть установлен гидрораспределитель. На притычной плоскости гидрораспределителя так же имеются литеры « Р » и « Т ».. Боковые выходы на СГП так же помечены надписями « Ру » подвод давления от насоса управления Н-2. Надпись « Ту » означает слив в бак с золотника пилота ( Y3 – Y4 ). Перед установкой гидрораспределителя на СГП –
с гидрораспределителя необходимо снять золотник пилот – проверить правильность гидросоединений – на соответствие гидросхеме. На силовом гидрораспределителе заглушить резьбовой пробкой соединение отв. « Р » силового золотника с отв. « Р » золотника пилота. Убрать заглушки – соединить « Р » золотника пилота
с отв. « Ру » силового золотника. Аналогично: На силовом гидрораспределителе заглушить резьбовой пробкой соединение отв. « Т » силового золотника с отв. « Т » золотника пилота. Убрать заглушки – соединить « Т » золотника пилота с отв. « Ту » силового золотника. Места расположения и назначение пробок описаны в паспорте силового гидрораспределителя. После выполнения этих операций – проверить их правильность продувкой сжатым воздухом и проливкой керосином. Затем установить золотник пилот на силовой гидрораспределитель, обращая особое внимание на совпадение отверстий « Р » и « Т » золотников и правильность положения уплотнительных колец. Чтобы резиновые кольца не выпали при монтаже – кольца вклеивают в заточки для колец солидолом. Проверку и проливку нового золотника делать обязательно, так как на заводе изготовителе соединения и установку пробок часто путают
и потом на работающем прессе возникают сюрпризы.
Клапана К-1 и К-3 установлены в корпуса, разработанные при разработке гидропривода. Внутренние и присоединительные размеры корпуса указаны в паспорте на встроенный предохранительный клапан.
Корпус имеет две шлифованные плоскости с заточками для установки резиновых уплотнительных колец. При установке обратить внимание на отверстие дренажа.
Конец ознакомительного фрагмента.