Кролики
вернуться

Лапин Юрий

Шрифт:

В России наибольшее распространение получили около 5–6 пород кроликов, которые хорошо акклиматизируются и имеют высокие хозяйственные качества.

Пол лучше всего сделать съемным, а в качестве материала для его изготовления подойдут реечные щиты размером 700 × 625 мм (размер реек — 20 × 40 мм, зазор между ними — 12–15 мм). Такой пол легко убирать и дезинфицировать, а если испортится одна рейка или даже весь пол, то их можно будет без проблем заменить.

Ниже показана схема такой клетки (рис. 27). Она подойдет для размещения двух крольчих или 14–16 голов молодняка, идущего на откорм, тогда в каждом отсеке должно размещаться по 7–8 голов.

Рис. 27. Клетка с двумя отсеками и кормушкой между ними

Также пол можно изготовить из оцинкованной сетки с ячейками размером 10 × 20 мм. Такие полы часто используют в условиях промышленных зверокомплексов из-за их практичности.

Однако данный материал подойдет лишь для клеток, в которых будут содержаться специализированные мясные породы, например Калифорнийская.

Дело в том, что у таких пород высокая опушенность ног, благодаря чему они редко заболевают потодерматитом.

Сетчатый пол не подойдет для содержания крупных пород кроликов, поскольку они обладают большой массой тела, и давление, оказываемое сеткой на лапы, часто вызывает воспаление конечностей. Также сетчатый пол не рекомендуется в клетках с маленькими крольчатами, так как те застревают в ячейках, что приводит к травмам.

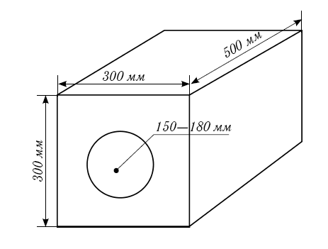
Если в клетке данного типа будет содержаться самка во время окрола, то в нее рекомендуется ставить маточный домик, который делают из толстой фанеры или досок. Длина такого домика составляет 500 мм, ширина и высота — 300 мм, диаметр отверстия — 150–180 мм (рис. 28).

Рис. 28. Маточный домик

Маточный домик в зимнее время нуждается в дополнительном утеплении для защиты крольчат от переохлаждения, особенно это касается случаев, когда клетки находятся на открытом воздухе или в неотапливаемых помещениях. Очень часто родильные отделения оборудуют электроподогревом.

Маточный домик устанавливают за 3–4 дня до окрола, а убирают через 25–30 дней после него. Во избежание переохлаждения крольчат, в зимнее время маточный домик может находиться в клетке и более долгое время.

Ниже изображен еще один вариант конструкции клетки, подходящей для крольчих (рис. 29).

Рис. 29. Клетка с маточными отделениями

Изготовление клетки данной конструкции более трудоемкое, но использовать ее удобнее, поскольку проще проводить осмотр новорожденных крольчат. В родильном отсеке пол обязательно должен быть сплошным, при этом не стоит бояться мочи и фекалий, так как крольчиха не станет испражняться в норе. Входное отверстие отсека должно быть диаметром 150–180 мм и находиться на высоте 100–120 мм от пола. В зимнее время его стенки можно утеплить при помощи матрасов с соломой или опилками.

Далее изображена клетка, условия содержания в которой максимально приближены к естественным (рис. 30). Ее изготовление займет много времени и сил, но она как нельзя лучше подходит для крольчихи с крольчатами. При необходимости, вход в родильное отделение можно перекрыть задвижкой.

Одним из наиболее распространенных способов является содержание в клетках с искусственными норами (рис. 31).

Рис. 30. Конструкция маточного отделения

Рис. 31. Клетка с искусственными норами

В приведенной выше конструкции искусственные норы расположены под землей, что помогает в зимнее время уберечь молодняк от переохлаждения, а в летнее — от перегрева. От родильного отделения в клетку ведет 2-метровая труба, подъем по которой стимулирует аппетит крольчат и благотворно влияет на их здоровье.

Для содержания кроликов на открытом воздухе в летнее время можно использовать клетки на колесиках, у которых также могут быть устроены сетчатые выгулы. Конструкцию монтируют из отделений трех видов: для двух самцов-производителей, для четырех самок и для шести отсаженных крольчат в возрасте от 3-х до 6-ти месяцев.

Молодняк, идущий на получение шкурок, можно разводить в двусторонних сетчатых клетках. Длина клетки составляет 300 см, ширина — 90 см. В ней одновременно содержат до 12-ти крольчат. Для этого с помощью раздвижных перегородок клетку делят на две части, каждая из которых вмещает до 6-ти отсаженных крольчат, живущих в ней до достижения 3–3,5 месяца. Потом при помощи шиферных или деревянных щитов клетку разделяют на 12 отсеков шириной 25 см и в каждом до забоя содержат по одному кро лику.

Выгулы с убежищем также подойдут для содержания молодняка. Они представляют собой групповые клетки, в которых содержатся отсаженные крольчата. При этом сами клетки могут быть разных видов, но больше всего для этой цели подходят групповые клетки с выгульными двориками.

  • Читать дальше
  • 1
  • ...
  • 22
  • 23
  • 24
  • 25
  • 26
  • 27
  • 28
  • 29
  • 30
  • 31
  • 32
  • ...

Private-Bookers - русскоязычная библиотека для чтения онлайн. Здесь удобно открывать книги с телефона и ПК, возвращаться к сохраненной странице и держать любимые произведения под рукой. Материалы добавляются пользователями; если считаете, что ваши права нарушены, воспользуйтесь формой обратной связи.

Полезные ссылки

  • Моя полка

Контакты

  • help@private-bookers.win